1438 Zamek wpuszczany do drzwi profilowych
Pomiń suwak Zamek wpuszczany do drzwi profilowych
| Certyfikowane SKG** | Opcja (art. 1738) |
| Certyfikowane zgodnie z EN 12209 | Tak |
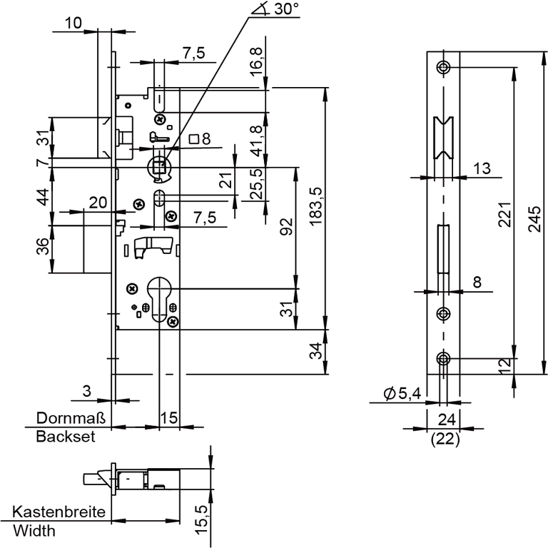
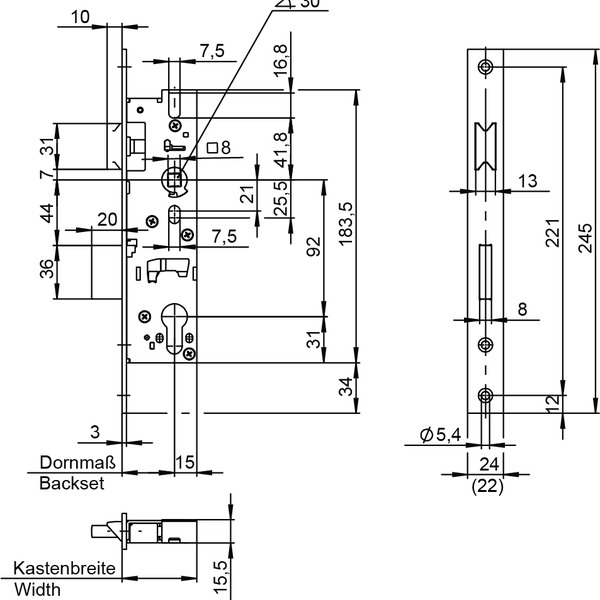
| Czoło płaskie (standard) | 24 x 3 mm |
| Czoło płaskie (wykonanie specjalne) | 16 x 3, 20 x 3, 22 x 3 mm |
| Czoło renowacyjne | Opcja (380 mm, bez otworów na śruby) |
| Czoło U-kształtne U (standard) | 24 x 6 mm |
| Czoło U-kształtne U (wykonanie specjalne) | 22 x 6 mm |
| Długość czoła | 245, 270 mm |
| Dornmas | 25, 30, 35, 40, 45, 50 mm |
| Dornmas tylny | 15 mm |
| Funkcja blokady zapadki | Opcja |
| Funkcja odciągu zapadki | Tak |
| Głębokość kasety | 15,5 mm |
| Kąt obrotu orzecha | 30° |
| Kierunek DIN | DL / DR |
| Kontrola położenia orzecha (wraz z kablem 8 m) | Opcja |
| Kontrola położenia zasuwki (wraz z kablem 10m) | Opcja |
| Materiał | Stal cynkowana |
| Możliwość przełożenia zapadki | Tak, dostarczane jako lewe |
| Orzech | 8, 9, 10 mm |
| Otwór na wkładkę | Wkładki bębenkowe / wkładki według normy szwajcarskiej |
| Pasujące blachy zaczepowe | 9306, 9307, 9308, 9309, 9319, 9320, 9321, 9322, 9333, 9334, 9353, 9365, 9366, 9369, 9371, 9373 |
| Przeznaczone dla drzwi antywłamaniowych zgodnych z DIN EN 1627-1630 | Opcja |
| Przyporządkowane kategorii | 4.4.1,4.1.1.1 |
| Rozstaw | 92 mm |
| Seria (grupa) | 1438 |
| Skok zasuwki | 1 - skokowy |
| Szerokość kasety | Dornmas +15 mm |
| Typ zapadki | Zapadka skośna |
| Typ zasuwki | Standard |
| Ulotki / foldery / katalogi | rohrrahmenschloesser-de-prospekt.pdf [Prospekt Rohrrahmenschlösser], renovierungsschloesser-de-prospekt.pdf [Prospekt Renovierungsschlösser] |
| Wskazówka dla czoła U-kształtnego U | Wszystkie czoła U-kształtne są dostarcznae z zaślepkami. W czołach typu U-kształtnego dornmas różni się o 1 mm |
| Wymagany kierunek | Nie |
| Wysokość kasety | 183,5 mm |
| Wysuw zapadki | 10 mm |
| Wysuw zasuwki | 20 mm |
| Zapadka wystająca (opcja) | 3 mm / 5 mm |
| Zastosowanie | Drzwi profilowe z aluminium i stali |
| Zasuwka wystająca (opcja) | 3 mm / 5 mm |
15
Znalezione wynikiPokaż na stronę
| Opis | Język | Rozmiar pliku | Typ pliku | |
|---|---|---|---|---|
| Prospekt Rohrrahmenschlösser | de | 5.59 MB | Download | |
| Brochure Locks for metal frame doors | en | 5.59 MB | Download | |
| Prospekt Renovierungsschlösser | de | 6.79 MB | Download | |
| Prüfzeugnis nach EN 12209 | de | 263.57 KB | Download | |
| Prüfzeugnis nach EN 12209 | pl | 263.57 KB | Download | |
| Test certificate EN 12209 | en | 263.57 KB | Download | |
| VdS approval - Class C burglar alarm systems | en | 1.30 MB | Download | |
| VdS Anerkennung - Einbruchmeldeanlagen der Klasse C | pl | 1.30 MB | Download | |
| VdS Anerkennung - Einbruchmeldeanlagen der Klasse C | de | 1.30 MB | Download | |
| Montageanleitung Falle umlegen | de | 560.57 KB | Download | |
| Montageanleitung Falle umlegen | pl | 560.57 KB | Download | |
| Installation instruction Latch reverse | en | 560.57 KB | Download | |
| 1438-produktfoto.png | 96.98 KB | png | Download | |
| 1438-reno-produktfoto.png | 42.49 KB | png | Download | |
| 1438-techzeichnung.png | 89.45 KB | png | Download |





